| |
8. Back End |
![]() |
8.4 Pulsar
The pulsar system has been developed as part of the SRT radiotelescope research (Srt Pulsar EXperiment - SPEX).
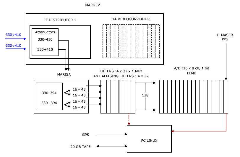
SPEX is connected with the Mark IV IF distributor and with a further interface (MARk IV Interface for Single dish Antenna - MARISA), these are the main characteristics of the whole system :
| |
4x32 MHz inputs, divided in 1 MHz channels through 2 filterbanks (64 channels for each polarization) built by the Jodrell Bank Observatory. |
| |
1x128 channels filterbank with 2 poles active filters, central frequency programmable (0.9 kHz, 1 kHz, 5 kHz, 10 kHz) and anti-aliasing function. |
| |
Interference monitoring system, 128 channels (0.4 Hz anti-aliasing filters), 12 bit acquisition. |
| |
A/D converter, 128 channels, 1 bit per channel. |
| |
Reference time signal generator, for the programmable sampling, synchronized with the hydrogen maser and the 1 PPS signal inside the observatory. The time allocation of the signal with respect of UTC has a precision of less than 1 microsecond. |
| |
Interface board (FEMB) between the A/D and the link (Slink CERN) to the user's pc. |
| |
Link Slink (trasmitter and receiver), transfer rate 133 Mb/s |
| |
User's pc, Pentium III-500 MHz with 128 Mb RAM , system Linux Red Hat 6.1 with the necessary software for the data processing (coherent dedispersion). |
| |
Tape recorder DLT (single tape storage 20 Gb) |
| |
GPS receiver Motorola Oncore UT+ for the synchronization of the user's pc internal clock. |

Fig. 8.6 : SPEX scheme, example at 1.4 GHz (band in MHz)
![]()